MVR 简介
MVR是机械式蒸汽再压缩技术(mechanicalvapor recompression )的简称,是利用蒸发系统自身产生的二次蒸汽,经蒸汽压缩机压缩做功,提升二次蒸汽的焓值,重新对系统进行加热,从而减少对外界能源需求的一项节能技术。
早在60年代,德国和法国及丹麦已经成功的将该技术应用于化工、食品、污水处理、海水淡化等行业。
MVR 原理
MVR的理论基础是理想气体状态方程,即
PV=nRT
MVR蒸汽压缩可以近似看成是绝热压缩过程,由理想气体状态方程和热力学**定律的微分形式可推导出如下绝热方程:
对于水蒸气分子来说,γ=8/6,因此以上公式又可以写成如下形式:
根据此原理,当蒸发出来的二次蒸汽经压缩后温度会随之升高,从而实现将低温、低压的二次蒸汽变成高温高压的蒸汽,作为热源重新加热物料,以达到循环利用蒸汽的目的。
系列1为理想水蒸气P-T图,系列2为实际水蒸气的P-T图,由此可以看出,经过压缩后的气体为过热蒸汽,因此压缩机出口需加喷淋水将过热蒸汽降温到饱和温度。饱和蒸汽的换热效果****。

MVR技术节能的核心是将二次蒸汽的热焓通过提升其温度作为热源替代新鲜蒸汽,外加一部分压缩机做功从而实现循环蒸发!

传统蒸发器原理
常规蒸发中需要冷却水冷却二次蒸汽的热量(使之冷凝),然后冷却水的热量再通过冷却塔冷却将热量释放到大气中,不但消耗新鲜蒸汽,同时冷却塔消耗大量循环水以及电能(泵)运行。造成三重浪费。

传统蒸发器特点

MVR应用领域

常见蒸发设备对比表

MVR与传统蒸发器能耗对比

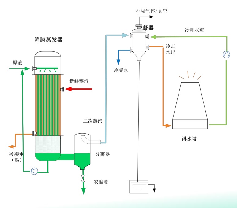
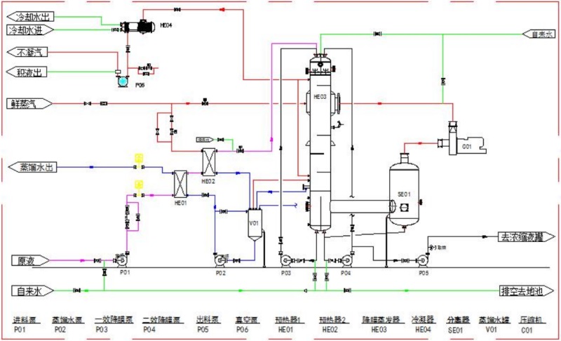
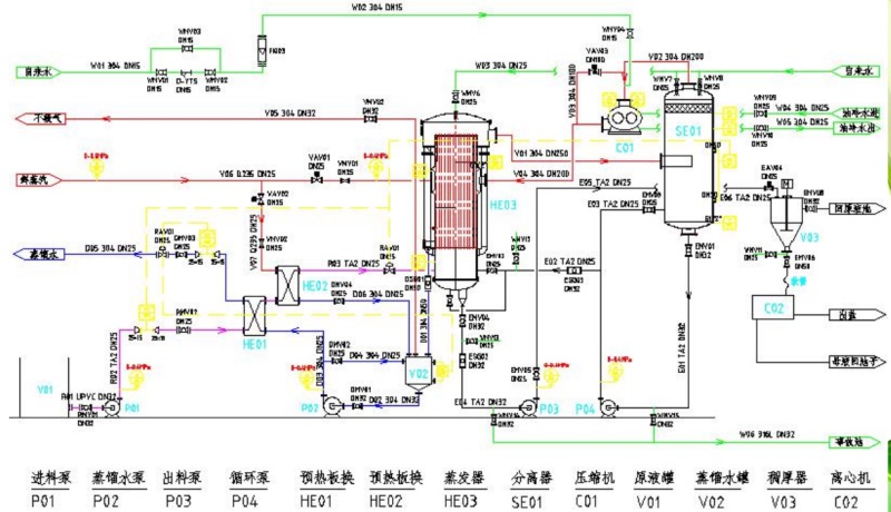
MVR 主要蒸发流程- -降膜

特点:
1) 降膜式蒸发器的物料是从蒸发器的顶部加入,通过布液器,在重力作用下沿管壁成膜状下降,并在此过程中不断蒸发,在底部得到浓缩液。
2) 由于物料在蒸发器中呈膜状蒸发,传热系数较高。
3) 停留时间短,不易引起物料变质,可处理热敏性物料。
4) 由于工艺流体仅在重力作用下流动,而不是靠高温差来推动,可实现低温差蒸发。
5)用于盐浓度较低的物料或其他产品的浓缩。
能耗:
20-45 kwh/吨水
MVR 主要蒸发流程- -强制循环

特点:
1) 物料在设备内的循环主要依靠大流量的强制循环泵推动。循环速度一般可达1.5-3.0米/秒,处理量较大。
2) 物料在换热管内进行升温升压,在分离器中闪蒸,二次蒸气经气液分离进入压缩机,浓缩液下落继续循环。
3)抗盐析、抗结垢、适应性强、易于清洗。
4)蒸发流程简单,易于操作。
5)主要应用于结晶场合。
能耗:
35-60 kwh/吨水
MVR 主要蒸发流程- -升膜

特点:
1)物料从从底部沿着换热管向上形成膜状蒸发,传热系数高。
2)不需要循环泵,控制简单,能耗相对较低。
3)适用于蒸发量不大,热敏,易发泡物质的蒸发浓缩。
4)主要用于蒸发浓缩或盐浓度很低的结晶场合。
能耗:
20-55 kwh/吨水
MVR 主要蒸发流程- -其他蒸发流程
1)组合形式:升膜+强制循环蒸发流程,降膜+强制循环蒸发流程。
2)MVR卧管降膜蒸发。
3)MVR板式蒸发。
4)MVR蒸发与传统蒸发相结合处理更复杂物料。
根据客户的物料情况和处理要求,综合考虑投资、能耗、装置运行稳定性等选取合适的流程,进行**化设计。
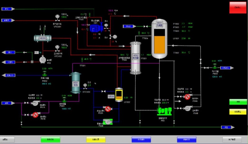
自动化控制- 主界面

自动化控制- 趋势图




现场图片



